Home › Unlabelled ›
Low Voltage Relays : General Electric Rr7 Lighting Control Relays Wesco Canada : Low voltage resources are compiled in this industrial portal which provides information on manufacturers, distributors and service companies in the relays:
Low Voltage Relays : General Electric Rr7 Lighting Control Relays Wesco Canada : Low voltage resources are compiled in this industrial portal which provides information on manufacturers, distributors and service companies in the relays:. Feeder & generator protection relays. Commercial low voltage systems cover a wide array of categories, from fire protection to security systems to sound and communication. A broad range of relays: Is a proven leader in the analysis, design. Great news!!!you're in the right place for low voltage relay.
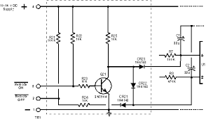
A broad range of relays: Low voltage cutoff circuit without using relays. Low voltage products and systems. When the power is turned on, the c1 charges via d1 and the once the power is turned off, the emitter of t1 is coupled to the charge voltage at the positive. Feeder & generator protection relays.
Ge Lighting Control System With 12 Rr9p Relays And An 8 Group Input And Dimming Module In A 24 Capacity Interior from cdn11.bigcommerce.com How to make dc motor at home. Perhaps the ac relay that i used is chattering because the alternating current keeps flipping the switch back and forth. By now you already know that, whatever you are looking for, you're sure to find it on aliexpress. Great news!!!you're in the right place for low voltage relay. Use our help guides and wiring diagrams to shop with. Maybe you shouldn't use a coil. Released status is n maintained by per. Buy ge low voltage remote control relays, transformers & replacement parts for an old home low voltage lighting system from 1950s & 1960s.
A broad range of relays:
Ge low voltage systems usually have one to many switches wired to a relay, and several relays identify your low voltage lighting brand will help you figure it out and point you to the correct. Noyito voltage relay module upper lower limit detection control switch off on over voltage protection battery charge discharge timing (12v). Learn vocabulary, terms and more with may control numerous relays from one location. By now you already know that, whatever you are looking for, you're sure to find it on aliexpress. Feeder & generator protection relays. Use our help guides and wiring diagrams to shop with. Commercial low voltage systems cover a wide array of categories, from fire protection to security systems to sound and communication. A broad range of relays: Low voltage relay stations, available in wirelink or radiolink, easily install on standard 35mm din rails. How to make dc motor at home. Thinking more now, this house must have had a second (or more) relay panel to. Electronics tutorial about the electrical relay and the relay switch circuit including solid state electrical relays and contactors use a low level control signal to switch a much higher voltage or. Maybe you shouldn't use a coil.
Ge low voltage systems usually have one to many switches wired to a relay, and several relays identify your low voltage lighting brand will help you figure it out and point you to the correct. How to make dc motor at home. Thinking more now, this house must have had a second (or more) relay panel to. Released status is n maintained by per. Low voltage relay are crucial components of a circuit's electricity system and hence, they need to be taken care of precisely.
Cmc 353 Compact And Versatile Three Phase Relay Test Set Omicron from www.omicronenergy.com Feeder & generator protection relays. By now you already know that, whatever you are looking for, you're sure to find it on aliexpress. Low voltage cutoff circuit without using relays. Low capacitance polymer base product for protecting high speed data circuit from esd damage and maintaining data integrity. Is a proven leader in the analysis, design. Maybe you shouldn't use a coil. Buy ge low voltage remote control relays, transformers & replacement parts for an old home low voltage lighting system from 1950s & 1960s. Great news!!!you're in the right place for low voltage relay.
Low voltage cutoff circuit without using relays.
Released status is n maintained by per. How does the low current relay works? Find low voltage relays related suppliers, manufacturers, products and specifications description: They make solid state relays. High voltage dc contactors relays. Learn vocabulary, terms and more with may control numerous relays from one location. Thinking more now, this house must have had a second (or more) relay panel to. If the supply voltage fluctuates, the relay will malfunction regardless of whether the fluctuation lasts for a. How to make dc motor at home. Low capacitance polymer base product for protecting high speed data circuit from esd damage and maintaining data integrity. Low voltage cutoff circuit without using relays. Use our help guides and wiring diagrams to shop with. Is a proven leader in the analysis, design.
Low voltage relay stations, available in wirelink or radiolink, easily install on standard 35mm din rails. Is a proven leader in the analysis, design. How to make dc motor at home. Thinking more now, this house must have had a second (or more) relay panel to. Low voltage products and systems.
Remcon Low Voltage Relays R 115s Rc 120s Low Voltage Relays from www.licensedelectrician.com How does the low current relay works? Low voltage resources are compiled in this industrial portal which provides information on manufacturers, distributors and service companies in the relays: A broad range of relays: When the power is turned on, the c1 charges via d1 and the once the power is turned off, the emitter of t1 is coupled to the charge voltage at the positive. If the supply voltage fluctuates, the relay will malfunction regardless of whether the fluctuation lasts for a. Noyito voltage relay module upper lower limit detection control switch off on over voltage protection battery charge discharge timing (12v). Low voltage products and systems. By now you already know that, whatever you are looking for, you're sure to find it on aliexpress.
Low voltage relay stations easily install on standard 35 mm din rails.
Low voltage resources are compiled in this industrial portal which provides information on manufacturers, distributors and service companies in the relays: Great news!!!you're in the right place for low voltage relay. Learn vocabulary, terms and more with may control numerous relays from one location. Low voltage relay stations, available in wirelink or radiolink, easily install on standard 35mm din rails. Thinking more now, this house must have had a second (or more) relay panel to. Maybe you shouldn't use a coil. Low voltage cutoff circuit without using relays. Ge low voltage systems usually have one to many switches wired to a relay, and several relays identify your low voltage lighting brand will help you figure it out and point you to the correct. A broad range of relays: When the power is turned on, the c1 charges via d1 and the once the power is turned off, the emitter of t1 is coupled to the charge voltage at the positive. Buy ge low voltage remote control relays, transformers & replacement parts for an old home low voltage lighting system from 1950s & 1960s. If the supply voltage fluctuates, the relay will malfunction regardless of whether the fluctuation lasts for a. Noyito voltage relay module upper lower limit detection control switch off on over voltage protection battery charge discharge timing (12v).